北京華光科達科技有限公司
聯系人:丁經理
手機:18611715668
E-mail:bjhgkd@163.com
地址:北京市通州區北苑155號
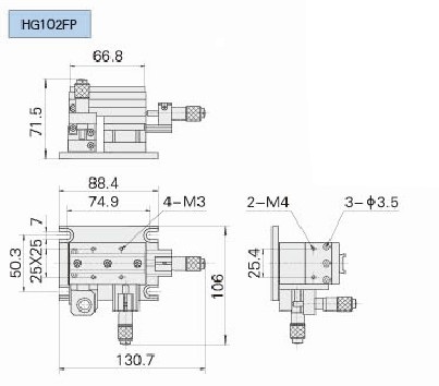
HG102FP型三維移動調整架
發布時間:2012-05-25 09:48:15 人氣:1279 來源:本站

主要特征:
● 三維移動調整;
● 配有燕尾座,可固定光學器件安裝座;
● 分左、右手型。
技術指標:
|
調整范圍(mm)
|
Tx
|
12
|
|
Ty
|
12
|
|
|
Tz
|
6
|
|
|
光路中心高(mm)
|
79
|
|
|
偏擺(μrad)
|
<100
|
|
|
負載(kg)
|
2.3
|
|
|
自重(kg)
|
0.9
|
|

上一篇:HG101FP型三維移動調整架
下一篇:HG101FT型二維傾斜調整架
相關新聞
- 電動位移臺的構成和工作形式 2022-09-09
- 使用手動平移臺的相關注意事項是什么 2022-09-09
- 電控位移臺的特點是什么? 2022-09-09
- 高精度電動位移臺是從什么時候走入到消費者視線 2022-09-09
- 交叉導軌的潤滑使用事項 2022-09-09
- 手動位移臺在工作中的三大特點 2022-09-09
- 怎樣保證電動位移的良好使用功能 2022-09-09
- 旋轉臺的6大特點,值得關注! 2022-09-09
- 手動位移臺的使用特點 2022-09-09
- 升降臺的工業應用及其如何保養維護 2022-09-09


客服